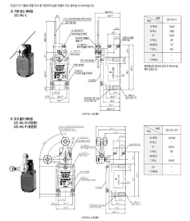
> 제품소개 > Honeywell

| SZL-WL 시리즈 | ||
|
||










SZL-WL-A SZL-WL-B SZL-WL-C SZL-WL-D SZL-WL-E SZL-WL-F SZL-WL-G SZL-WL-H SZL-WL-I SZL-WL-J SZL-WL-K SZL-WL-L SZL-WL-M SZL-WL-N SZL-WL-P SZL-WLA-A SZL-WLB-A SZL-WLC-A SZL-WLD-A SZL-WLE-A SZL-WLA-B SZL-WLB-B SZL-WLC-B SZL-WLD-B SZL-WLE-B SZL-WLA-C SZL-WLB-C SZL-WLC-C SZL-WLD-C SZL-WLE-C